| 일 | 월 | 화 | 수 | 목 | 금 | 토 |
|---|---|---|---|---|---|---|
| 1 | 2 | 3 | 4 | |||
| 5 | 6 | 7 | 8 | 9 | 10 | 11 |
| 12 | 13 | 14 | 15 | 16 | 17 | 18 |
| 19 | 20 | 21 | 22 | 23 | 24 | 25 |
| 26 | 27 | 28 | 29 | 30 |
- Bandwidth
- 함수발생기
- 분석기
- Record
- SA
- 스펙트럼
- RF
- 펄스파
- PCB설계 #회로도작성 #PCB레이아웃 #거버파일 #PCB제작 #전자회로 #아트웍 #SMT #하드웨어개발
- mode
- Generator
- Spectrum
- Mask
- 리골
- Horizontal
- 스코프
- DIGITAL
- 수집모드
- rigol
- 오실로스코프
- 대역폭
- 수평시스템
- 분석
- Analyzer
- 수평축
- SCOPE
- Function
- fg
- DHO
- oscilloscope
- Today
- Total
공대후요미
오실로스코프 기초편 2. 오실로스코프 수평축 조절 방법 알아보기! 본문

안녕하세요. 공대후요미입니다 :)
오늘은 오실로스코프의 수평 시스템, 수평측 조절하는 방법에 대해서 알아보려고 합니다.

오실로스코프의 수평측, Horizontal의 경우 신호의 시간축을 조절하여 획득한 파형을 최적화하여 관심있는 신호를 적절하게 분석하게끔 합니다.

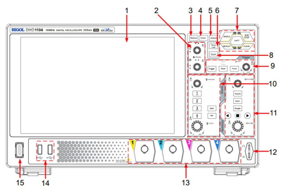
오실로스코프 수평 시스템을 조절하기 위한 부분은 위 그림에서 11번, Horizontal이라고 적혀져 있는 부분에서 보실 수 있습니다.

여기서 아래쪽 노브는 오실로스코프의 스윕하는 속도를 조절하는 스케일 노브입니다. 스케일 노브를 시계 반대방향으로 돌리면 신호를 받아오는 스윕 타임이 느려지고, 시계 방향으로 돌리면 스윕 속도가 빨라집니다. 더 빠른 신호를 위한 시간을 조절해서 오실로스코프를 최적화하고 관심있는 신호를 적절하게 분석하는 데에 사용할 수 있습니다.
그리고 위쪽 노브는 포지션 노브입니다. 포지션 노브를 통해 지금 보고있는 파형의 위치를 관심있는 영역으로 옮겨서 가져갈 수 있습니다.

오실로스코프에서 수평측을 조절하기 위해서는 오른쪽에 보이는 Horizontal 부분의 노브를 이용하여 시간을 최적화하거나 혹은 디스플레이 위쪽에서 Horizontal, Acquisition, Delay등을 눌러서 이 수평시스템에 대한 설정을 변경할 수도 있습니다.
그럼 이제 수평 시스템을 조절하는 방법에 대해 알아아보도록 하겠습니다.
첫번째로, 수평 시간 축(Horizontal Time Base) 조절하는 방법을 알아보도록 하겠습니다.
수평 스케일, 수평 시간축은 화면의 가로방향이며 일반적으로 s/div으로 표시됩니다. DHO1204에서 수평축의 범위는 2ns/div 부터 1ks/div까지의 범위로 변할 수 있습니다. 수평 시간 축을 변경하게 되면 파형은 선택한 시간을 기준으로 수평으로 확대되거나 압축됩니다.
수평 시간의 시간축을 변경할 수 있는 방법은 여러가지가 있습니다.
첫번째로, 프런트패널에서 SCALE 노브를 돌려 수평 시간을 조절할 수 있습니다. 시계방향으로 돌리면 눈금이 줄어들게 되고, 시계 반대방향으로 돌리면 눈금이 늘어나게 됩니다.

두번째 방법은 디스플레이 창 내에서 핀치 앤 스트레치를 이용하는 것입니다. 우리가 일반적으로 스마트폰이나 터치 스크린을 사용할 때 확대하고자 할 때 하는 방식처럼 화면에 손을 대고 핀치 앤 스트레치 손모양을 통해 확대할 수 있습니다.

세번째 방법은 Horizontal 메뉴 창 내에 Scale을 이용하는 것입니다.

Scale 옆에 있는 확대, 혹은 압축 버튼을 누르거나 혹은 숫자가 표현되어 있는 창을 눌러 원하는 값을 숫자 키패드로 입력해서 사용할 수도 있습니다.

두번째는 수평 위치(Horizontal Position) 조절하는 방법에 대해 알아보겠습니다.
트리거 위치라고도 하는 이 수평 위치는 디스플레이의 중앙을 기준으로 수평 방향으로 모든 채널 파형의 트리거 포인트 위치를 나타냅니다. 이 때 수평 위치를 변경하게 되면 파형 트리거 포인트와 모든 채널에 표시된 파형이 수평으로 이동하게 됩니다.

이 때 이동하게 되면서 수평 위치 레이블, 디스플레이상에 D라고 표현되는 부분은 변경이 되게 됩니다.
수평위치를 조절하는 방법은 여러가지가 있습니다.
첫번째로, 프런트패널에서 POSITION 노브를 돌려 수평 위치를 조정 가능한 범위 내에서 조절할 수 있습니다. 회전 수평 위치를 줄이려면 시계방향으로, 늘리려면 반시계방향으로 돌려주시면 됩니다. 그리고 노브를 눌러주게 되면 가로 위치를 0으로 재설정하게 됩니다.

두번째로는, 디스플레이 창 내에서 가로 위치를 드래그 하여 조절할 수 있습니다.

이 때, 만약 드래그 해도 움직이지 않는다면 Touch Lock이 되어있지는 않은 지 확인해 주시기 바랍니다.

세번째로는, Horizontal 메뉴 창 내에 Position 부분을 이용하는 것입니다.

이 Position 옆에 있는 화살표 키를 통해 늘리거나 줄일 수 있으며, 숫자가 표현되어 있는 부분을 눌러 숫자 키패드로 특정 값을 입력해서 사용할 수도 있습니다.

세번째로는 Zoom Mode 사용하는 방법에 대해 알아보도록 하겠습니다.
줌(지연 스위프 모드)을 사용하여 파형의 길이를 수평으로 확장하여 파형 세부 정보를 볼 수도 있습니다. 수평메뉴에서 Zoom 버튼을 On/Off 하여 지연 스위프 모드를 활성화하거나 비활성화할 수 있습니다.

Zoom을 On하게 되면 아래 Scale과 Position이 나오게 되는데, 이 부분에서 지연 스위프모드를 사용하는 화면의 값을 조절할 수 있게 해줍니다. 이 아래쪽에 뜨는 Scale과 Position이 줌 한 부분의 Scale과 Position이라고 생각하시면 됩니다.

줌 모드를 활성화하게 되면 실제 디스플레이 상에서 화면이 다음과 같이 둘로 나뉘게 됩니다. 위쪽은 확장, 줌해서 보기 전의 파형이고 아래쪽은 확장해서 본 파형으로 나뉘어 집니다. 그리고 이 가운데에 Zoom Scale과 Position에 대한 정보가 적혀있게 됩니다.
오늘은 오실로스코프 수평축에 대해서 구체적으로 알아보았는데요, 어렵지 않게 따라오셨죠? 혹시나 어려운 부분이 있으셨다면, 아래 동영상을 보시면서 천천히 따라해 보세요 :)
현재 RIGOL에서는 DHO 프로모션을 진행중이니, 홈페이지에 방문하셔서 오실로스코프에 대한 정보도 많이 알아보셔도 좋을 것 같습니다 :)
[리골] 최적의 가성비 계측기-RIGOL TECHNOLOGIES CO., LTD. 리골 코리아
kr.rigol.com
감사합니다.
'Technology > Oscilloscope' 카테고리의 다른 글
| 오실로스코프 기초편 4. 오실로스코프에서 샘플링 속도가 중요한 이유는? (0) | 2023.05.17 |
|---|---|
| 오실로스코프 기초편 3. 오실로스코프 수집 모드(Acquisition Mode)에 대해 알아보자! (1) | 2023.05.12 |
| 오실로스코프 기초편 1. 오실로스코프 수직축 조절 방법 알아보기 (0) | 2023.04.28 |
| 오실로스코프 사용을 위한 프로브 보상 (Probe Compensation) (0) | 2023.04.17 |
| 오실로스코프란? (0) | 2023.03.24 |