| 일 | 월 | 화 | 수 | 목 | 금 | 토 |
|---|---|---|---|---|---|---|
| 1 | ||||||
| 2 | 3 | 4 | 5 | 6 | 7 | 8 |
| 9 | 10 | 11 | 12 | 13 | 14 | 15 |
| 16 | 17 | 18 | 19 | 20 | 21 | 22 |
| 23 | 24 | 25 | 26 | 27 | 28 | 29 |
| 30 |
- DIGITAL
- DHO
- 분석
- Analyzer
- Record
- mode
- SA
- Bandwidth
- Horizontal
- SCOPE
- 수평시스템
- Function
- fg
- 대역폭
- 수집모드
- Spectrum
- 수평축
- 스펙트럼
- 리골
- DHO1000
- oscilloscope
- RF
- 오실로스코프
- Mask
- 분석기
- 스코프
- 펄스파
- rigol
- 함수발생기
- Generator
- Today
- Total
공대후요미
오실로스코프 기초편 1. 오실로스코프 수직축 조절 방법 알아보기 본문
안녕하세요. 공대후요미 입니다 :)
오늘부터, 오실로스코프의 기초에 대해서 알아보려고 하는데요! 오늘은 그 첫번째, 오실로스코프의 수직 시스템, 수직 축 조절하는 방법에 대해서 알아보려고 합니다.

오실로스코프의 수직, Vertical의 경우 신호의 감쇠 또는 증폭, 전압 Voltage 레벨 영역 컨트롤을 사용하여 획득한 파형을 원하는 측정 범위로 조절하고 스케일링하여 사용합니다.

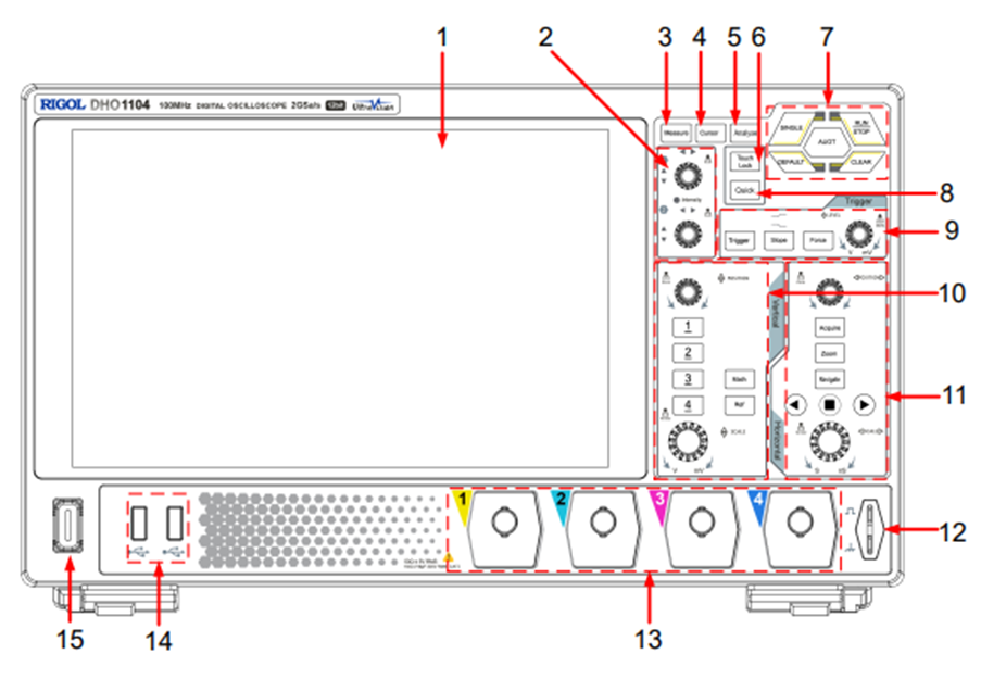
수직 시스템을 컨트롤 하기 위한 수직측 부분은 오실로스코프에서 위와 같은 화면에서 10번, Vertical이라고 써져 있는 부분에서 확인하실 수 있습니다.

1번에 보이는 노브는 Vertical POSITION이라고 하여, 수직측의 Offset을 조정하는 데에 사용합니다. 이 노브를 돌려 선택한 파형의 수직 위치를 변경하여 위/아래로 이동할 수 있으며, 노브를 누르게 되면 수직 위치를 0으로 재설정 할 수 있습니다.
2번, 아랫쪽 노브의 경우 Vertical SCALE이라고 부르며, 이 노브를 돌려 계수선의 수직 분할값, 즉 volts/div를 수정하게 됩니다. 이 노브를 눌러서는 수직 눈금을 미세 조정할 것인지 대략 조정할 것인지 Fine에 대한 설정을 On/Off 할 수 있습니다.
3번, 이 Vertical 프런트 패널에서 보이는 나머지 1,2,3,4는 CH1,2,3,4를 의미하며 이 버튼을 눌러 불이 들어오게 되면 현재 채널이 On 되어있는 상태이며 측정하고 있음을 의미하고, 불이 꺼져있으면 Off가 되어 있는 상태이며 신호를 측정하고 있지 않는 상태라고 이해할 수 있습니다.
4번, Math의 경우, Math key로 들어오는 신호들의 계산 값 (예를 들면, 두 채널의 더해진 값, 곱해진 값, FFT 등의 다양한 신호 처리)을 볼 수 있습니다.
5번 Ref의 경우, reference key로 어떤 신호를 reference waveform으로 사용하기 위해 저장해 두었다가 그 waveform을 불러와서 다른 측정하고 있는 신호와 비교하거나 잘못된 부분을 찾을 때 사용할 수 있습니다.
그러면, DHO1204에 있는 Vertical에서 각 기능에 대해서 알아보도록 하겠습니다.

왼쪽에 보이는 Display 버튼은 아까 프런트패널의 채널 1,2,3,4 버튼과 같이 채널을 On/Off 디스플레이를 켜주고 꺼주는 버튼입니다. Off를 누르면 나오는 파형이 사라지는 것을 보실 수 있고 다시 On을 누르면 파형이 뜨는 것을 보일 수 있습니다.

그 옆에 보이시는 Fine 부분은 아까 프런트패널에서 Vertical SCALE 노브를 누르는 동작과 동일하게 미세조정을 켤 것인지 끌 것인지를 결정하는 버튼입니다. On을 눌러서 미세조정을 켜면 오른쪽에서 Scale을 크게하거나 작게 했을 때 1mV 단위로 Scale이 움직이는 것을 보실 수 있고,

Fine을 Off하고 Scale값을 On Off로 누르면 50mV, 100mV, 500mV, 1V 이렇게 큰 단위로 조절되는 것을 확인하실 수 있습니다.

그리고 그 옆 Offset의 경우 Vertical POSITION과 동일한 역할을 하고, Offset의 기준점을 조절해주는 값으로 보실 수 있습니다. 보시는 것처럼 Offset으로 설정한 값에 따라 뒤에 신호 디스플레이 화면의 수직 측의 중심점이 달라지는 것을 보실 수 있습니다.

그리고 Probe를 누르면 Probe Compensation을 조절할 수 있는 창이 뜹니다. 사용하는 프루브의 배열에 따라 Compensation값을 맞추어 주어 설정하실 수 있습니다.

예를 들어, 프루브의 팁이 10X로 설정되어 있는 경우 Compensation에서 10X를 선택해 주실 수 있습니다.

그 다음은 단위입니다. 단위의 경우 V, W, A, U 중에 원하는 단위로 선택해서 측정하실 수 있습니다.

채널 Coupling은 3가지로 선택할 수 있습니다. Coupling의 경우 DC/AC/GND로 나뉩니다.
DC의 커플링의 경우, 신호의 DC와 AC를 모두 볼 수 있으며, 파형의 실제 형태 및 크기를 측정하고자 할 때 사용합니다.
AC의 경우, 신호에 DC 오프셋 전압을 제거하고 AC 성분만 남아서 볼 수 있으며 DC 오프셋 신호와 작은 교류신호가 중첩되어 교류 신호가 잘 보이지 않을 때에 사용합니다. GND의 경우, GND의 위치를 파악하고자 할 때 사용합니다.

그리고 아래 Label의 경우, 옆에 있는 창에 원하는 Label의 이름을 친 후 Label부분을 On하면 내가 출력하는 채널의 라벨이 함께 붙어서 뜨는 것을 보실 수 있습니다. 나중에 그래프를 캡처하는 경우나 비교해서 보고자 할 때 유용하게 쓸 수 있을 것 같습니다.
오늘은 이렇게 오실로스코프 수직 시스템을 구성하는 요소에 대해서 알아보았습니다.다음 번에는 오실로스코프 수평 시스템에 대해서도 알아보도록 하겠습니다 :)
감사합니다!
'Technology > Oscilloscope' 카테고리의 다른 글
| 오실로스코프 기초편 3. 오실로스코프 수집 모드(Acquisition Mode)에 대해 알아보자! (1) | 2023.05.12 |
|---|---|
| 오실로스코프 기초편 2. 오실로스코프 수평축 조절 방법 알아보기! (1) | 2023.05.10 |
| 오실로스코프 사용을 위한 프로브 보상 (Probe Compensation) (0) | 2023.04.17 |
| 오실로스코프란? (0) | 2023.03.24 |
| 오실로스코프에서 대역폭이란? (0) | 2023.01.26 |